应用领域:医疗设备、智能门锁、光学镜头、智能家居等领域。

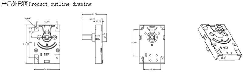
B-Q19半自动离合模组(铁壳、铁执手头材质)

应用范围:半自动智能锁、半自动智能房门锁 Application Scope: Semi-automatic smart locks, semi-automatic interior door locks

首页 产品中心 联系我们