应用领域:医疗设备、智能门锁、光学镜头、智能家居等领域。

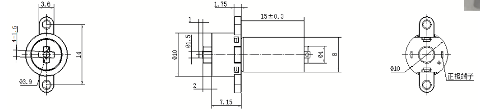
10GP行星减速电机

Diameter 10 planetary gear motor (plastic material) 应用范围:智能家居、电动玩具、手机支架、电子烟、充电宝 Typic Applications: Smart home、Motor toy、Mobile phone holder、 Electronic cigarette、Power bank

首页 产品中心 联系我们